Aya Fasteners গাইড|কুকুৰ পইন্ট হেক্স হেড স্ক্ৰু মূল বৈশিষ্ট্য আৰু সুবিধাসমূহ
Apr 26, 2023
কুকুৰৰ পইণ্ট হেক্স হেড স্ক্ৰু বজাৰত উপলব্ধ এক উৎকৃষ্ট ধৰণৰ স্ক্ৰু। বজাৰত উপলব্ধ আন আন স্ক্ৰুৰ দৰে বিভিন্ন ধৰণৰ উদ্দেশ্যৰ বাবে আদৰ্শ। কুকুৰৰ পইণ্ট হেক্স হেড স্ক্ৰু হৈছে চকেট চেট স্ক্ৰু যিবোৰ দুটা জাতত আহে। এটা হৈছে এটা সম্পূৰ্ণ-ডগ পইণ্ট, আৰু আনটো আধা-ডগ পইণ্ট। প্ৰট্ৰুডেড টিপটোৱে দুয়োটা স্ক্ৰুৰ বৈশিষ্ট্য প্ৰদান কৰে। সীমিত ক্লিয়াৰেন্স প্ৰয়োগত কাম কৰিবলৈ কুকুৰ পইণ্ট স্ক্ৰুতকৈ আধা কুকুৰ পইণ্ট স্ক্ৰু কম টিপৰ সৈতে আহে। কিন্তু সম্পূৰ্ণ কুকুৰৰ পইণ্ট স্ক্ৰুবোৰৰ বিভিন্ন উদ্দেশ্যৰ বাবে কাম কৰাৰ ক্ষমতা থাকে।
এই স্ক্ৰুবোৰ হৈছে ঔদ্যোগিক ফাষ্টনাৰ যিবোৰৰ এটা সময়ত, এটা ঠাইত, আৰু সুৰক্ষিতভাৱে এটাতকৈ অধিক বস্তু ৰখাৰ ক্ষমতা থাকে। স্থায়ী পৰিৱেশ হিচাপে খাদৰ ওপৰত যান্ত্ৰিক ফুটা, সমতল বা স্লটত সোমাব পৰাকৈ ডিজাইন কৰা হৈছে। আপোনাৰ প্ৰয়োজন বা প্ৰয়োজনীয়তা অনুসৰি যিকোনো ধৰণৰ সামগ্ৰীৰে কুকুৰৰ পইণ্ট হেক্স হেড স্ক্ৰু নিৰ্মাণ কৰিব পাৰি। বেছিভাগ আকাৰতেও উপলব্ধ।
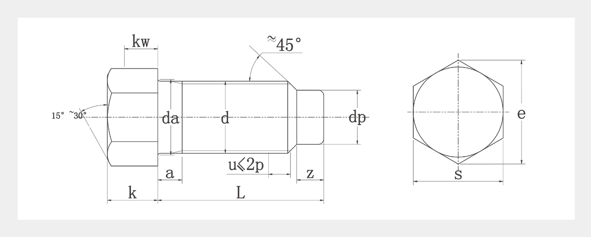
Aya কুকুৰ পইন্ট হেক্স হেড স্ক্ৰু মাত্ৰা টেবুল(DIN 561)

| স্ক্ৰু থ্ৰেড d |
M6 | M8 | M10 | M12 | M16 | M20 | M24 | M30 | M36 | M42 | M48 | M56 | |
| P | Pitch(Ant Mounse Thread) | 1 | 1.25 | 1.5 | 1.75 | 2 | 2.5 | 3 | 3.5 | 4 | 4.5 | 5 | 5.5 |
| Pitch (Fine Thread) | - | - | - | - | - | 2 | 2 | 2 | 3 | 3 | 3 | 3 | |
| a | সৰ্বোচ্চ | 3 | 3.75 | 4.5 | 5.25 | 6 | 7.5 | 9 | 10.5 | 12 | 13.5 | 15 | 16.5 |
| DA | সৰ্বোচ্চ | 6.8 | 9.2 | 11.2 | 13.7 | 17.7 | 22.4 | 26.4 | 33.4 | 39.4 | 45.6 | 52.6 | 63 |
| DP | Max=নামমাত্ৰ আকাৰ | 4 | 5.5 | 7 | 8.5 | 12 | 15 | 18 | 23 | 28 | 32 | 38 | 45 |
| Min | 3.82 | 5.32 | 6.78 | 8.28 | 11.73 | 14.73 | 17.73 | 22.67 | 27.67 | 31.61 | 37.61 | 44.61 | |
| e | Min | 8.79 | 11.05 | 14.38 | 17.77 | 19.92 | 26.75 | 33.53 | 39.98 | 51.28 | 61.31 | 72.61 | 83.91 |
| k | নামমাত্ৰ আকাৰ | 5 | 6 | 7 | 9 | 11 | 14 | 17 | 21 | 25 | 30 | 34 | 40 |
| Min | 4.85 | 5.85 | 6.82 | 8.82 | 10.79 | 13.79 | 16.79 | 20.74 | 24.74 | 29.74 | 33.69 | 39.69 | |
| সৰ্বোচ্চ | 5.15 | 6.15 | 7.18 | 9.18 | 11.21 | 14.21 | 17.21 | 21.26 | 25.26 | 30.26 | 34.31 | 40.31 | |
| KW | Min | 3.4 | 4.1 | 4.8 | 6.2 | 7.6 | 9.7 | 11.8 | 14.5 | 17.3 | 20.8 | 23.6 | 27.8 |
| s | Max=নামমাত্ৰ আকাৰ | 8 | 10 | 13 | 16 | 18 | 24 | 30 | 36 | 46 | 55 | 65 | 75 |
| Min | 7.78 | 9.78 | 12.73 | 15.73 | 17.73 | 23.67 | 29.67 | 35.38 | 45.38 | 54.26 | 64.26 | 74.26 | |
| z | Min=নামমাত্ৰ আকাৰ | 3 | 4 | 5 | 6 | 8 | 10 | 12 | 15 | 18 | 21 | 24 | 28 |
| সৰ্বোচ্চ | 3.25 | 4.3 | 5.3 | 6.3 | 8.36 | 10.36 | 12.43 | 15.43 | 18.43 | 21.52 | 24.52 | 28.52 | |
| 2, উপাদান: উ)খোজ, সম্পত্তিৰ শ্ৰেণী(বস্তুগত): ১৪h, ২২h মানক DIN ISO 898-5; খ)ষ্টেইনলেছ ষ্টীল, সম্পত্তিৰ শ্ৰেণী(বস্তুগত): A2-50 মানক DIN ISO 3506; C)non-বৈশিষ্ট্য ধাতু, সম্পত্তিৰ শ্ৰেণী(বস্তুগত): CUZN=CU2 বা CU3 মানক DIN EN 28839, প্ৰস্তুতকাৰকৰ পছন্দত |
|||||||||||||
কুকুৰ পইন্ট হেক্স হেড স্ক্ৰুসমূহৰ মূল বৈশিষ্ট্যসমূহ
ডগ পইণ্ট হেক্স হেড স্ক্ৰুৰ বজাৰত প্ৰতিটো প্ৰয়োজনৰ লগত খাপ খোৱাৰ ক্ষমতা আছে। তদুপৰি, তেওঁলোকে আকৰ্ষণীয় বৈশিষ্ট্যৰ সৈতে আহে, যাৰ ফলত ইয়াক বেছিভাগ উদ্যোগৰ বাবে এক নিখুঁত পছন্দ হৈ পৰে। তলত কুকুৰৰ পইন্ট হেক্স হেড স্ক্ৰুৰ শীৰ্ষ বৈশিষ্ট্যসমূহৰ তালিকা দিয়া হৈছে:
● শক্তি - কুকুৰ পইণ্ট হেক্স হেড চেট স্ক্ৰু 45h শক্তি প্ৰদান কৰে কাৰণ ইহঁত এলয় ষ্টীলৰ দৰে সামগ্ৰীৰ পৰা নিৰ্মাণ কৰা হয়।
● কঠিনতা - কুকুৰৰ পইণ্ট হেক্স হেড স্ক্ৰু 5G6G ৰ কঠিনতা থাকে।
● চমৎকাৰ অংশ গ্ৰেড - ইয়াৰ সৈতে এটা উৎকৃষ্ট অংশ গ্ৰেড, এটা গ্ৰেড আছে।
● পৃষ্ঠৰ চিকিৎসা - কুকুৰৰ বিন্দু হেক্স স্ক্ৰুও ক'লা অক্সাইড আৱৰণ আৰু এন্টি-ৰষ্ট তেলৰ পৃষ্ঠ চিকিৎসাৰ সৈতে আহে।
কুকুৰ পইণ্ট হেক্স হেড স্ক্ৰুৰ বৈশিষ্ট্যৰ শেষ নহয়। এই স্ক্ৰুবোৰ ওপৰত উল্লেখ কৰা তালিকাৰ বাহিৰেও অধিক বৈশিষ্ট্যৰ সৈতে আহে।
কুকুৰ পইন্ট হেক্স হেড স্ক্ৰু সুবিধা
কুকুৰৰ পইণ্ট হেক্স হেড স্ক্ৰু ওপৰৰ স্ক্ৰুবোৰৰ ভিতৰত অন্যতম। এই স্ক্ৰুবোৰ ইয়াৰ সুবিধাৰ বাবে অতি জনপ্ৰিয়। তলত কুকুৰৰ পইন্ট হেক্স হেড স্ক্ৰুৰ শীৰ্ষ সুবিধাসমূহ দিয়া হ'ল:
● ব্যৱহাৰ কৰাত সহজ - যিকোনো ব্যক্তিয়ে কুকুৰৰ পইণ্ট হেক্স হেড স্ক্ৰু সহজে ব্যৱহাৰ কৰিব পাৰে। আপুনি মাত্ৰ স্ক্ৰুবোৰ স্ক্ৰু ড্ৰাইভাৰেৰে স্ক্ৰু কৰিব লাগিব।
● টান শক্তি - কুকুৰৰ বিন্দু হেক্স হেড স্ক্ৰু ইয়াৰ শক্তিশালী পদাৰ্থৰ বাবে টান শক্তি প্ৰদান কৰে।
● চমৎকাৰ ৰেজিষ্টেন্স - কুকুৰৰ বিন্দু হেক্স হেড স্ক্ৰুও জাৰণ আৰু উষ্ণতা প্ৰতিৰোধ ক্ষমতাৰ সৈতে আহে।
● সংকোচন - কুকুৰৰ বিন্দু হেক্স হেড স্ক্ৰু বিশেষভাৱে মুক্ত ঘূৰণৰ বাবে সংকোচন ধৰি ৰাখিবলৈ ডিজাইন কৰা হৈছে।
আমি আশা কৰোঁ যে আপুনি বুজি পাব যে আপুনি কুকুৰৰ পইণ্ট হেক্স হেড স্ক্ৰুৰ সৈতে কি পাব পাৰে।

এপ্লিকেচনসমূহ
কুকুৰৰ পইণ্ট হেক্স হেড স্ক্ৰু কেইবাটাও উদ্দেশ্যত ব্যৱহাৰ কৰিবলৈ নিৰ্মাণ কৰা হয়। এই স্ক্ৰুবোৰৰ জনপ্ৰিয়তাৰ আঁৰত এইটোৱেই একমাত্ৰ কাৰণ। তলত কুকুৰ পইণ্ট ছেট স্ক্ৰুৰ শীৰ্ষ প্ৰয়োগৰ তালিকা দিয়া হৈছে:
● দুটা বস্তু বান্ধিবলৈ কুকুৰৰ পইণ্ট হেক্স হেড স্ক্ৰু ব্যৱহাৰ কৰা হয়।
● ইয়াক খাদত গিয়াৰ সুৰক্ষিত কৰিবলৈও ব্যৱহাৰ কৰা হয়।
● সফল গধুৰ প্ৰয়োগতো ইয়াক ব্যৱহাৰ কৰা হয় ৷
উদ্দেশ্য যিয়েই নহওক, এই স্ক্ৰুবোৰ প্ৰতিটো ব্যৱহাৰৰ বাবে নিখুঁত পছন্দ।
Fasteners বিচাৰিছেনে?
তলত ক্লিক কৰি AYA Fasteners ৰ বিস্তৃত ফাষ্টনাৰ কেটেলগ ব্ৰাউজ কৰক, য'ত আছে উচ্চ-গুণগত স্ক্ৰু, বল্ট, ৱাশ্বাৰ, আৰু বাদামৰ সামগ্ৰীসমূহ।
দূৰভাষ: +86-311-85870676
WhatsApp/Wechat: +8615823215841
ইমেইল: sales@ayafasteners.com
ঠিকনা: হেবেই প্ৰদেশ, চীন


